Corsa nie odpala
- blood1989
- Nowy
- Posty: 178
- Rejestracja: 2 lut 2009, o 09:10
- Imię: Mateusz
- Podziękował;: 1 raz
- Otrzymał podziękowań: 0
Corsa nie odpala
Witam mam taki problem wczoraj podczas jazdy samochód stracił nagle moc i zgasł, po probie odpalenia, ledwo co zapalał tak jak by paliwa nie było, po kilkunastu próbach już nie odpalił , wydaje mi się, że coś z pompą bo tak jeszcze ledwo co odpalał i zaraz zaczynal się dusić i gasnąć zapewne ściągnął reszte paliwa z przewodów i dla tego już nie odpala.
Co sprawdziłem
-pompe paliwa nie dochodzi prąd są 4 kable 2 od pływaka tam prąd jest i 2 od pompy tu nie ma
-bezpiecznik jest OK
-przekaźnik nie cyka po przekręceniu kluczyka
Co sprawdziłem
-pompe paliwa nie dochodzi prąd są 4 kable 2 od pływaka tam prąd jest i 2 od pompy tu nie ma
-bezpiecznik jest OK
-przekaźnik nie cyka po przekręceniu kluczyka
- mehes
- Moderator Leader

- Posty: 1535
- Rejestracja: 4 gru 2009, o 23:10
- Imię: Piotr
- Lokalizacja: Kraków
- Podziękował;: 1 raz
- Otrzymał podziękowań: 14 razy
- Kontakt:
Re: Corsa nie odpala
Z fusów nikt nie wywróży jaki masz silnik
Uzupełnij profil
Uzupełnij profil
[album]3178[/album]
Pomogłem postaw +
Kto o coś spytał i uzyskał poradę niech czuje się zobowiązany napisać o rezultatach -pomogło, nie pomogło, jakie było właściwe rozwiązanie problemu.
Pomogłem postaw +
Kto o coś spytał i uzyskał poradę niech czuje się zobowiązany napisać o rezultatach -pomogło, nie pomogło, jakie było właściwe rozwiązanie problemu.
- Bear_
- Weteran
- Posty: 1807
- Rejestracja: 29 mar 2007, o 21:53
- Imię: Arek
- Lokalizacja: .:ZzA Winkla:.
- Podziękował;: 0
- Otrzymał podziękowań: 6 razy
- Kontakt:
Re: Corsa nie odpala
Przekaźnik w CB nigdy nie cyka po zapłonie, dopiero w momencie kiedy kręcisz rozrusznikiem to pompa zaczyna podawać...
- blood1989
- Nowy
- Posty: 178
- Rejestracja: 2 lut 2009, o 09:10
- Imię: Mateusz
- Podziękował;: 1 raz
- Otrzymał podziękowań: 0
Re: Corsa nie odpala
a sorki 1.0 XE z tego co jeszcze sprawdzilem miernikiem to przy przekaźniku jest prąd a przy kostce od pompy nie ma 
- Bear_
- Weteran
- Posty: 1807
- Rejestracja: 29 mar 2007, o 21:53
- Imię: Arek
- Lokalizacja: .:ZzA Winkla:.
- Podziękował;: 0
- Otrzymał podziękowań: 6 razy
- Kontakt:
- blood1989
- Nowy
- Posty: 178
- Rejestracja: 2 lut 2009, o 09:10
- Imię: Mateusz
- Podziękował;: 1 raz
- Otrzymał podziękowań: 0
Re: Corsa nie odpala
Bear_ pisze:Jakieś blędy na kompie ?
Nie wiem nie mam kompa żeby podłączyć
ok prąd jest na kostce przy pompie pojawia się dopiero po przekręceniu zapłonu tzw przy odpalaniu ale co dalej...........?
- mehes
- Moderator Leader

- Posty: 1535
- Rejestracja: 4 gru 2009, o 23:10
- Imię: Piotr
- Lokalizacja: Kraków
- Podziękował;: 1 raz
- Otrzymał podziękowań: 14 razy
- Kontakt:
Re: Corsa nie odpala
X1,0XE ma dwa przekaźniki
ściąg schematy będzie prościej
a check świeci?
ściąg schematy będzie prościej
a check świeci?
[album]3178[/album]
Pomogłem postaw +
Kto o coś spytał i uzyskał poradę niech czuje się zobowiązany napisać o rezultatach -pomogło, nie pomogło, jakie było właściwe rozwiązanie problemu.
Pomogłem postaw +
Kto o coś spytał i uzyskał poradę niech czuje się zobowiązany napisać o rezultatach -pomogło, nie pomogło, jakie było właściwe rozwiązanie problemu.
- blood1989
- Nowy
- Posty: 178
- Rejestracja: 2 lut 2009, o 09:10
- Imię: Mateusz
- Podziękował;: 1 raz
- Otrzymał podziękowań: 0
Re: Corsa nie odpala
Świeci on dopiero gaśnie po zapaleniu auta, gdzie jest drugi przekaźnik ? Z tego co wyczytałem jest jeden przekaźnik i jeden bezpiecznik, wydaje mi się ze prąd dobrze idzie przy próbie rozruchu samochodu bo raczej nie może cały czas iść napięcie, chyba dobrze myślę ?mehes pisze:X1,0XE ma dwa przekaźniki
ściąg schematy będzie prościej
a check świeci?
- Konik
- Moderatorzy

- Posty: 957
- Rejestracja: 28 maja 2009, o 23:49
- Imię: Grzegorz
- Lokalizacja: Kraków, spotkać można wszędzie:)
- Podziękował;: 0
- Otrzymał podziękowań: 0
- Kontakt:
- blood1989
- Nowy
- Posty: 178
- Rejestracja: 2 lut 2009, o 09:10
- Imię: Mateusz
- Podziękował;: 1 raz
- Otrzymał podziękowań: 0
Re: Corsa nie odpala
nic z tych rzeczy nie mam rok produkcji to 99 jakie powinno być napięcie wyjsciowe na pompę ?
-- 16 sie 2011, o 10:40 --
powiedzcie mi gdzie jest ten 2 przekaźnik od pompy paliwa ?
-- 16 sie 2011, o 10:40 --
powiedzcie mi gdzie jest ten 2 przekaźnik od pompy paliwa ?
- wolga85
- Weteran
- Posty: 1035
- Rejestracja: 12 sty 2009, o 21:03
- Imię: Marcin
- Lokalizacja: Gdów (na południe od Krakowa)
- Podziękował;: 0
- Otrzymał podziękowań: 22 razy
Re: Corsa nie odpala
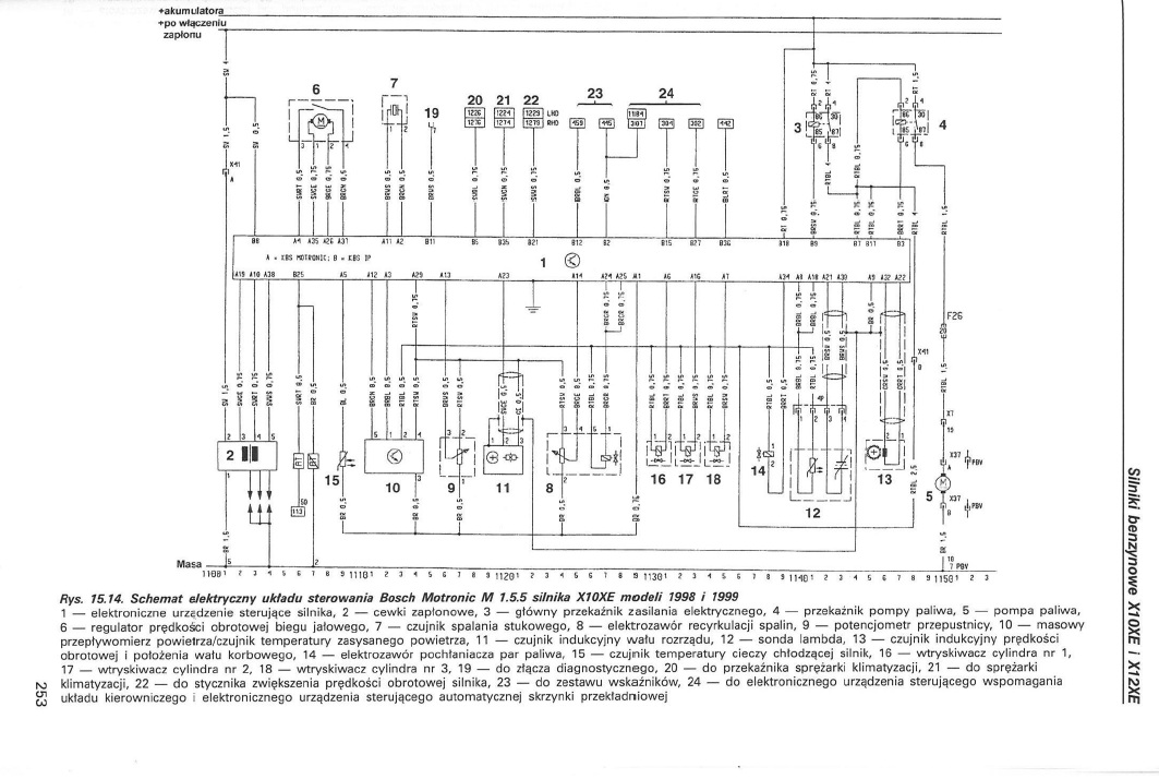
Schemacik
Faktycznie są dwa jak w starszych modelach. Niestety gdzie się znajdują nie wiem. Jak byś miał problem z rozczytaniem schematu pisz.
6 do 100 czy 6 na 100. Oto jest pytanie
- blood1989
- Nowy
- Posty: 178
- Rejestracja: 2 lut 2009, o 09:10
- Imię: Mateusz
- Podziękował;: 1 raz
- Otrzymał podziękowań: 0
Re: Corsa nie odpala
no ok na schemacie wyczytalem ze 4 to przekaźnik pompy paliwa a gdzie jest drugi przekaźnik jaki to numer bo chyba oślepłem 
- Porszak
- Support Team Leader

- Posty: 5671
- Rejestracja: 30 lis 2003, o 22:27
- Imię: Marcin
- Lokalizacja: EBE-Bełchatów
- Podziękował;: 0
- Otrzymał podziękowań: 4 razy
- Kontakt:
Re: Corsa nie odpala
jedyne miejsce w cb z x10xe z przekaznikami to po stronie pasazera, trzeba wyciagnac schowek, ale tam chyba juz sie dobrales skoro masz przekaznik. paliwo masz w baku? bo mnie objawy pasuja na wyczerpanie sie paliwa
- wolga85
- Weteran
- Posty: 1035
- Rejestracja: 12 sty 2009, o 21:03
- Imię: Marcin
- Lokalizacja: Gdów (na południe od Krakowa)
- Podziękował;: 0
- Otrzymał podziękowań: 22 razy
Re: Corsa nie odpala
Faktycznie zrzut schematu wyszedł mi kiepawy. Przekaźniki są połączone ze sobą przewodami: czerwonym i czerwono-niebieskim. Tak że główny zasila cewkę przekaźnik pompy. Przekaźnik główny ma przewody koloru: -
-czerwony cienki , stały plus na cewkę
- czerwony gruby ,stały plus na styk
-czerwono-niebieski gruby ,zasilanie cewki przekaźnika pompy i reszty osprzętu silnika (wtrysków ,przepływonierza itd)
-brązowo-czarny , masa podawana z ecu po włączeniu zapłonu
Do przekaźnika pompy przychodzą:
-czerwony gruby ,zasilanie styku
-czerwono-niebieski ,wyjście ze styku na pompe
-brązowo- czerwony ,masa z ecu podawana przy odpalaniu i pracy silnika
-czerwono-niebieski cienki ,plus na cewkę z przekaźnika głównego.
-czerwony cienki , stały plus na cewkę
- czerwony gruby ,stały plus na styk
-czerwono-niebieski gruby ,zasilanie cewki przekaźnika pompy i reszty osprzętu silnika (wtrysków ,przepływonierza itd)
-brązowo-czarny , masa podawana z ecu po włączeniu zapłonu
Do przekaźnika pompy przychodzą:
-czerwony gruby ,zasilanie styku
-czerwono-niebieski ,wyjście ze styku na pompe
-brązowo- czerwony ,masa z ecu podawana przy odpalaniu i pracy silnika
-czerwono-niebieski cienki ,plus na cewkę z przekaźnika głównego.
- Ocena: 100%
6 do 100 czy 6 na 100. Oto jest pytanie
- blood1989
- Nowy
- Posty: 178
- Rejestracja: 2 lut 2009, o 09:10
- Imię: Mateusz
- Podziękował;: 1 raz
- Otrzymał podziękowań: 0
Re: Corsa nie odpala
ok zaraz to idę sprawdzić... tak mam pół baku benzyny....
zrobiłem zworkę na kablach czerwono niebieskim (grubym) i czerwonym (grubym) oczywiście wyjmując przekaźnik i co usłyszałem cyknięcie pompy i nic więcej jak dotykałem kablem to słyszałem cykanie nic więcej pompa nie pompowała paliwa.... czyli wychodzi na to, że pompa jest uszkodzona tak ?
zrobiłem zworkę na kablach czerwono niebieskim (grubym) i czerwonym (grubym) oczywiście wyjmując przekaźnik i co usłyszałem cyknięcie pompy i nic więcej jak dotykałem kablem to słyszałem cykanie nic więcej pompa nie pompowała paliwa.... czyli wychodzi na to, że pompa jest uszkodzona tak ?
- wolga85
- Weteran
- Posty: 1035
- Rejestracja: 12 sty 2009, o 21:03
- Imię: Marcin
- Lokalizacja: Gdów (na południe od Krakowa)
- Podziękował;: 0
- Otrzymał podziękowań: 22 razy
Re: Corsa nie odpala
To zależy na którym przekaźniku. Jakie kolory i grubości do niego dochodziły
6 do 100 czy 6 na 100. Oto jest pytanie


