problem z check engine w C16SEi

Wszystkie informacje o elementach układu elektrycznego Corsy B.
ODPOWIEDZ
matt37137
Świeżak
Posty: 17
Rejestracja: 9 mar 2009, o 17:47
Imię: Mateusz
Lokalizacja: Kraków
Podziękował;: 0
Otrzymał podziękowań: 0
Kontakt:

problem z check engine w C16SEi

Post autor: matt37137 »

Panowie, mam problem. Mam corsę B z 1993 z silnikiem c16sei z CA. Kupiłem auto ze spaloną wiązką przez radio(spalona wiązka deski i krótki odcinek łączący wiązkę deski z silnika). Wiązkę, od deski rozdz. którą teraz mam, jest od polifta. Przerobiłem stacyjkę, wtyczkę do alternatora, trzeba jeszcze przerobić wtyczkę pod klakson.Co prawda dzisiaj odpaliłem corsę, ale tylko na chwilę, bo wiązka jeszcze nie opeszlowana, ale powstał mały problem.

No ale do rzeczy. Z wiązki silnikowej do wiązki wewnątrz auta połączyłem:
czerwony - wiadomo +
czer-nieb - pompka
niebieski - pociągnięty od niebieskiego z czujnika temp. na silniku (c16sei nie ma osobnego na zegary O.o )
czarny (w kupnej wiązce go nie było, ale poszedł z wiązki na alternator) - z innego miejsca + po stacyjce
nieb-czerw - nie podpięty bo ten silnik nie ma impulsatora

I teraz problem z check enginem. Nie mam pojęcia jak go podpiąć, bo nie mam takich kabli.
w c16sei jest jeden brązowo-biały na kontrolkę
a samo złącze diagnostyczne ma 4 kable a nie tak jak podaje schemat 3.
-brązowy
-czerwony(który nie występuje na schemacie)
-pomarańczowy
-pomar-niebieski

Czy ktoś wie co podpiąć by check działał tak jak powinien? Nie chcę podłączać na pałę, bo auto po poprzednim właścicielu, pożar w kablach już miało ;)

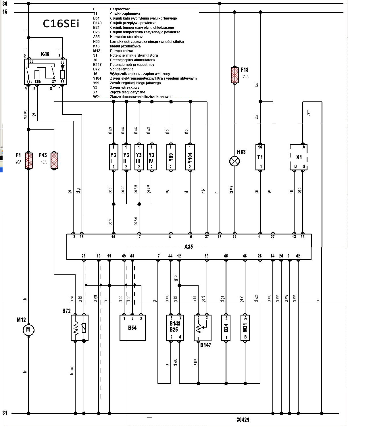
Żeby ułatwić sprawę załączam schemat C16SEi
schemat_C16sei.jpg
schemat_C16sei.jpg (380.24 KiB) Przejrzano 630 razy
PS: czy na zegarach kontrolka check engine to S w trybie, w kolorze pomarańczowym? Bo przy podpięciu brązowo białego z wiązki silnika do brązowo niebieskiego, kontrolka świeci cały czas(gdzieś na forum obiło mi się o uszy, że tak należy podpiąć)

A na marginesie. Czy na tym złączu (łączącym silnik z deską) jest podłączony też TID? Bo nawet po włączeniu silnika i świateł na TIDzie nic się nie pojawia.
ODPOWIEDZ

Wróć do „Układ Elektryczny”